您的位置: 主页   产品中心   工控类滤波器  三相三线变频输出
三相三线变频输出
三相三线变频输出滤波器生产厂家

三相三线变频输出

● dv/dt抑制
● 过电压限制。
● 减少变频器电磁干扰。
● 变频器、UPS等交直流设备的输出滤波。
● 减小变频器及马达线圈损耗。
产品详情

特 点 Features

● dv/dt抑制restrain。

● 过电压限制。Overvoltage limit.

● 减少变频器电磁干扰。Reduce electromagnetic

interference of frequency converter.

应 用 Application

● 变频器、UPS等交直流设备的输出滤波。

Inverter, ups and other AC and DC equipment output filtering.

● 减小变频器及马达线圈损耗。

Reduce the loss of inverter and motor coil.

性能指标 Characteristcs

额定电压Rated voltage

480/275VAC

工作频率 Operating Frequency

DC~120Hz

开关频率 switching frequency

≤60KHz

额定电流Rated curren

5~200A@40℃max.

耐压试验 (60s) Test Voltage

1500VDC(线-线Line - line) 2250VDC(线-地Line - ground)

3000VDC/2S

气候类别 Climate category

40/100/21

产品型号表 Filter Table

型号

model

接线方式:输入输出

额定电流A

Rated curren

电路图Fig.

Circuit diagram

外形尺寸Fig.

Outline Drawing

03e7071b0fd6e523deab48b5f0d89ea.png

8f5d0b3be0b8e64982cef963e7d950f.png

f72c46a7074547a11ea9a382e8e8df8.png

YX-333-5-

TT



5

1

1

YX-333-10-



SS

10

1

2

YX-333-16-



SS

16

1

2

YX-333-20-



SS

20

1

2

YX-333-25-



SS

25

1

2

YX-333-35-



SS

35

1

2

YX-333-50-



SS

50

1

3

YX-333-65-



SS

65

1

3

YX-333-80-



SS

80

1

4

YX-333-100-



SS

100

1

4

YX-333-130-



SS

130

1

4

YX-333-160-



SS

160

1

4

YX-333-200-



SS

200

1

4


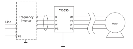
电原理图Typical Circuit Diagram


电原理图


Fig.1


接线图Connection Diagram


接线图



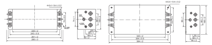
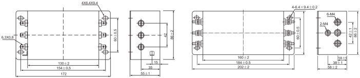
外形尺寸图 Outline Drawing : mm


外形尺寸图


Fig.1 (5A) Fig.2 (10A~35A)


9bd7bec4c23264af07b34ad35925f33.jpg


Fig.3 (50A~65A) Fig.4 (80A~200A)


关键词
关联产品
立即咨询
姓名*
电话*
邮箱
留言内容*
验证码*
  
其他产品
热门产品