单相双极
单相双极滤波器生产厂家

单相双极

● 高性能电源滤波器。
● 泄漏电流小。
● 常规通用,安装方便
产品详情

特 点 Features

● 高性能电源滤波器。High performance power filter.

● 泄漏电流小。The leakage current is small.

● 常规通用,安装方便。General purpose, easy to install.


应 用 Application

● 大多数数字设备(尤其开关电源),可用来抑制连续或间隙性

脉冲干扰,尤其适用于低阻抗负载场合。

Most digital devices, especially switching power supplies,

can be used to suppress continuity or gap Pulse interference,

especially suitable for low impedance load.

性能指标 Characteristcs

额定电压Rated voltage

250VAC,50/60Hz;250VDC

工作频率 Operating Frequency

DC~400Hz

额定电流Rated curren

1A~80A@40℃max.

耐压试验 (60s) Test Voltage

1500VDC(线-线Line - line) 1500VAC(线-地Line - ground)

3000VDC/2S

气候类别 Climate category

25/100/21

产品型号表 Filter Table

型号

model

接线方式:输入输出

额定电流A

Rated curren

MAX泄漏电流mA

leakage current

放电电阻KΩ

resistance

电路图Fig.

Circuit diagram

外形尺寸Fig.

Outline Drawing

03e7071b0fd6e523deab48b5f0d89ea.png

8f5d0b3be0b8e64982cef963e7d950f.png

f72c46a7074547a11ea9a382e8e8df8.png

YX-212-1-

TT

WW


1

0.7

1000

1

1

YX-212-3-

TT

WW


3

0.7

470

1

1

YX-212-6-

TT

WW


6

0.7

220

1

2

YX-212-10-

TT

WW

SS

10

0.7

220

1

2/4

YX-212-16-

TT

WW

SS

16

0.7

220

1

3/4

YX-212-25-



SS

25

0.7

220

1

5

YX-212-36-



SS

36

0.7

220

1

5

YX-222-50-



SS

50

1.0

1000

2

6

YX-222-80-



SS

80

0.8

680

2

7

电原理图Typical Circuit Diagram


电原理图

Fig.1 Fig.2

插入损耗 Insertion LOSS in dB (50Ω测量系统,IEC/CISPR No.17号出版物)

插入损耗

1A 3A 6A


2a5259c6c61e0afa3052cb9c5faa6f4.png


10A 16A 25A


75bbb38aacf2502435f4d77e2f7f12a.png


36A 50A 80A



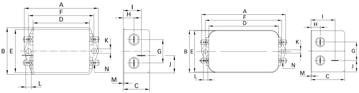
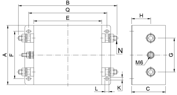
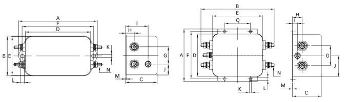
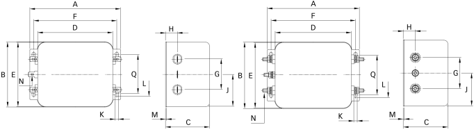
外形尺寸图 Outline Drawing : mm


外形尺寸图


Fig.1 (1A~3A) Fig.2 (6A~10A)


e79f9e5b800cf478d9a8e2a83443ede.png


Fig.3 (16A) Fig.4 (10~16A)


142db66552e9f1c72490139638b7b2b.png


Fig.5 (25~36A) Fig.6 (50A)


bc94566858bb73fe351f5a1d2c229b2.png

Fig.7 (80A)

外形尺寸Fig.

A

B

C

D

E

F

G

H

I

J

K

L

M

N

Q

1 (1A)

85

54

30.3

64.8

49.8

75

27

12.3

20.8

19.9

5.3

6.3

0.7

6.3×0.8


1 (3A)

85

54

40.3

64.8

49.8

75

27

12.3

29.8

11.4

5.3

6.3

0.7

6.3×0.8


2 (6A)

113.5

57.5

45.4

94

56

103

25

12.4

32.4

15.5

4.4

6

1

6.3×0.8


2 (10A)

156

57.5

45.4

130.5

56

143

25

12.4

32.5

15.5

5.3

6

1

6.3×0.8


3 (16A)

119

85.5

57.6

98.5

84.5

109

40

15.6


42.25

4.4

7.4

1.2

6.3×0.8


4 (10A)

156

57.5

45.4

130.5

56

143

25

12.4

32.5

15.5

5.3

6

1

M4


4 (16A)

119

85.5

57.6

98.5

84.5

109

40

15.6


42.25

4.4

7.4

1.2

M4

51

5 (25~36A)

156

57.5

45.4

130.5

56

143

25

12.4

32.5

15.5

5.3

6

1

M4


6 (50A)

130

180

50

100

120

115

50

30

30

50

6.5

4.5

1.2

M6

80

7 (80A)

125

280

90


220

96

81

50



6.4

9.4


M8

243


关键词
关联产品
立即咨询
姓名*
电话*
邮箱
留言内容*
验证码*
  
其他产品
热门产品