分类
特 点 Features
● IEC标准插座式一体化滤波器。 IEC Standard socket type integrated filter.
● 常规通用,安装方便。General purpose, easy to install.
应 用 Application
● 各种小型电子设备和电子测量仪器。
A variety of small electronic equipment and electronic
measuring instruments.
性能指标 Characteristcs
额定电压Rated voltage | 250VAC,50/60Hz;250VDC |
工作频率 Operating Frequency | 50/60Hz |
额定电流Rated curren | 1A~20A@40℃max. |
耐压试验 (60s) Test Voltage | 1500VDC(线-线Line - line) 1500VAC(线-地Line - ground)3000VDC/2S |
气候类别 Climate category | 25/100/21 |
产品型号表 Filter Table
型号 model | 输出接线方式 | 额定电流A Rated curren | MAX泄漏电流mA leakage current | 放电电阻KΩ resistance | 电路图Fig. Circuit diagram | 外形尺寸Fig. Outline Drawing | |
|
| ||||||
YX-211-1-IEC- | TT | WW | 1 | 0.5 | 1000 | 1 | 1/2 |
YX-211-3-IEC- | TT | WW | 3 | 0.5 | 1000 | 1 | 1/2 |
YX-211-6-IEC- | TT | WW | 6 | 0.5 | 1000 | 1 | 1/2 |
YX-211-10-IEC- | TT | WW | 10 | 0.5 | 1000 | 1 | 1/2 |
YX-211-16-IEC- | TT | WW | 16 | 0.5 | 1000 | 1 | 1/2 |
YX-221-1-IEC- | TT | 1 | 0.5 | 1000 | 2 | 3 | |
YX-221-3-IEC- | TT | 3 | 0.5 | 1000 | 2 | 3 | |
YX-221-6-IEC- | TT | 6 | 0.5 | 1000 | 2 | 3 | |
YX-221-10-IEC- | TT | 10 | 0.5 | 1000 | 2 | 3 | |
YX-221-16-IEC- | TT | 16 | 0.5 | 1000 | 2 | 3 | |
YX-231-1-IEC- | TT | 1 | 0.5 | 1000 | 3 | 4 | |
YX-231-3-IEC- | TT | 3 | 0.5 | 1000 | 3 | 4 | |
YX-231-6-IEC- | TT | 6 | 0.5 | 1000 | 3 | 4 | |
YX-231-10-IEC- | TT | 10 | 0.5 | 1000 | 3 | 4 | |
YX-231-16-IEC- | TT | 16 | 0.5 | 1000 | 3 | 4 | |
YX-241-1-IEC- | TT | 1 | 0.5 | 1000 | 4 | 4 | |
YX-241-3-IEC- | TT | 3 | 0.5 | 1000 | 4 | 4 | |
YX-241-6-IEC- | TT | 6 | 0.5 | 1000 | 4 | 4 | |
YX-241-10-IEC- | TT | 10 | 0.5 | 1000 | 4 | 4 | |
YX-241-16-IEC- | TT | 16 | 0.5 | 1000 | 4 | 4 | |
电原理图Typical Circuit Diagram

Fig.1 Fig.2

Fig.3 Fig.4
插入损耗 Insertion LOSS in dB (50Ω测量系统,IEC/CISPR No.17号出版物)

1A 3A 6A

10A 16A
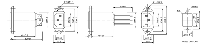
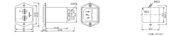
外形尺寸图 Outline Drawing : mm

Fig.1 (插片式) Fig.2 (引线式)

Fig.3 (单保险丝)

Fig.4 (单/双保险丝、双开关)
CopyRight © 2025 常州市南宫ng28有限公司 版权所有 苏ICP备2022034447号-1 网站地图 所有标签 免责声明 中环互联网常州网站建设